Mini Servo Power Distribution Box,
Red
Ideal for 20cc - 50cc Petrol
Engined Aircraft

Please Note: Now comes fitted with XT60 Connectors

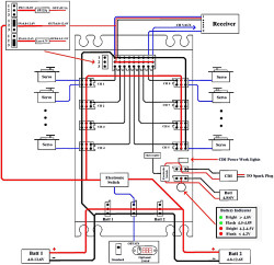
A. 1-8 channel input ports
B. Receiver voltage selector (see diagram below)
C. 1-8 channel output ports - each channel has 2 output
D. CDI ignition control channel
E. Foam padding for receiver to sit on
F. Receiver securing Velcro strap
G. CDI Ignition output LED
H. CDI Ignition output port
I.
CDI Ignition input port
J. CDI Ignition power voltage indicator light
K. On/off power supply switch (fails to"ON")
L. Battery 1 input
M. Battery 2 input
Why Use a Mini Servo Power Distribution
Box?
Essentially the same as the Green
ECO version but this
red version also has a selectable input voltage to your receiver
(see below diagram) as well as a OPTO isolated CDI ignition switch
designed for petrol (gas) powered aircraft.
When using a large number of servos or a few high power digital
servos the current needed to power these servos can be high, for
example one single 16kg digital servo can draw up to 2.5A so you
can see that it doesn't take many servos before very high current
is needed to power all your servos. Receivers are not designed
to handle such high current and you stand a real risk of damaging
your receiver due to this high current and therefore loosing your
large and expensive pride and joy.
The Mini Servo Power Distribution
Box routes the power needed by your servos away from your
receiver and through it's printed circuit board which is designed
to handle currents as high as 30A making your system a lot safer.
The Mini Servo Power Distribution Box also allows you to use 2
separate batteries to power your receiver and servos giving you
added safety should one battery fail while in flight.
It also allows for a very neat installation of up to 16 servos,
2 servos per channel.
Should the"ON/OFF" switch fail or become disconnected
in flight, the system will fail to"ON"
Click on Photo for larger version
How to select the voltage to the receiver (B) 
CDI Ignition connection and indicating LED's (G,H,I,J)

Features
- Use
2 batteries to eliminate crashes should one battery become open
circuit.
The Power Box draws from both batteries.
- 8 channel plus 1 CDI ignition cut port
- Up to 16 servos, 2 servos
for each channel
- OPTO isolated CDI ignition cut circuit to eliminate interference
caused by CDI ignition.
- Independent 5V linear voltage
regulator which provide a separate pure working power supply
to the receiver
- 5x LED's indicated the boards working status (6 statuses)
- In event of switch failure, unit fails to"ON"
- Includes 3" servo extensions cables to connect your receiver
to the Servo Power Distribution Box
- Easy and convenient location of receiver
- Supplied with ON/OFF switch
- Supplied with rubber mounting grommets and screws
Please Note
If using 2 batteries, please make sure they are identical with
regards to:
type,
number of cells,
capacity ,
and most importantly
that they are the same voltage before connecting them both to the
Servo Power Distribution Box as any differences can result in a
large current transfer between the two batteries until their voltages
become equal, this high current could damage either the wiring
and/or the batteries themselves.
Check to make sure you have selected the correct jumper position
(B) for the voltage for your receiver before connecting your batteries.
| Input Voltage |
5V DC - 8.4V DC (recommended 5V DC - 6V DC) |
| Voltage to Servos |
Same as the voltage you supply it with
(voltage pass through) |
| Voltage to Receiver |
Selectable: Pass through, or 5V - 8.4V
(default is voltage
pass through) |
| Maximum Current |
up to 30A |
| Weight |
80g (approx) |
| Dimensions |
116mm x 68mm x 13mm |
| Working Temp |
-20℃ to 85℃ |
|